NH207 照度传感器
一、产品简介
NH207 照度传感器/系列采用高精传感核心,ABS塑料外壳结构;NH207数字照度传感器外观小巧,具有安装方便、使用寿命长、测量精度高、稳定性好、微功耗、传输距离长、抗外界干扰能力强等特点。
NH207数字照度传感器采用密封防水封装,特别适合农业、养殖业、地下车库、办公、商场等环境下使用。
NH207数字照度传感器使用标准RS485接口,具有量程自动转换功能,如照度在2000lx以内时,照度传感器自动转到0~2k量程;照度在2,000~20,000lx之间时,照度传感器自动转为0~20k量程;照度大于20,000lx时,照度传感器自动转为0~200k量程。
NH207照度传感器又称光强传感器,可见光照度传感器可配置本厂光照度仪使用。
二、技术参数
本系列传感器可选择以下3种输出接口
| 接口后缀 | U2 | I | R |
| 输出信号 | DC 0-2V | 4-20mA电流环 | RS485 |
| 输出值计算(注) | 输出值=(输出电压mV/2000mV)×量程+量程起始值 | 输出值=((输出电流mA-4mA)/16mA)×量程+量程起始值 | Modbus-RTU协议 |
| 接线定义 | 红:电源绿:GND黄:信号输出 | 红:二线制电流环、不分极性蓝:二线制电流环、不分极性 | 红:电源+绿:GND黄:RS485A蓝:RS485B |
| 功耗 | ≤20mW@5V | ≤240mW@12V | ≤30mW@5V |
| 工作电压 | DC 4~24V | DC 7.5V~36V | DC 4~24V |
注:量程=量程最大值-量程最小值。
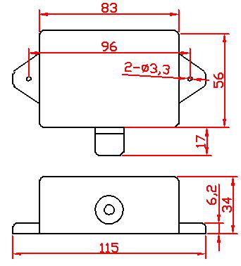
三、外形尺寸
四、选型表
| 型号 | 功能 | 量程 | 输出 | 说明 |
| NH207 | Z | 0~200k | -R | 照度传感器量程,0~200k量程自动转换,485接口 |
| NH207 | Z | 0~2k | -U2 | 照度传感器量程0~2k电压输出 |
| NH207 | Z | 0~20k | -U2 | 照度传感器量程0~20k电压输出 |
| NH207 | Z | 0~200k | -U2 | 照度传感器量程0~200k电压输出 |
| NH207 | Z | 0~2k | -I | 照度传感器量程0~2k电流输出 |
| NH207 | Z | 0~20k | -I | 照度传感器量程0~20k电流输出 |
| NH207 | Z | 0~200k | -I | 照度传感器量程0~200k电流输出 |
例:照度传感器485接口,型号:NH207Z0~200k-R;
备注:其它量程可以定制。
五、维护和保养
本光照度传感器具有优良设计和功能原理的科技产品,应注意维护和保养。下列建议将帮助您有效地使用保养服务:
使用光照度传感器时请将各连接部位固定牢固,避免仪器的损坏。